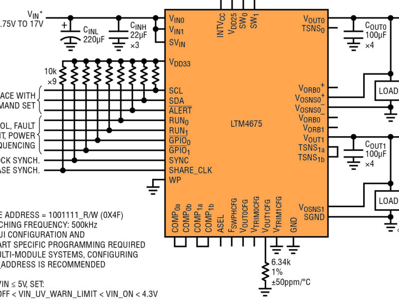
Régulateur abaisseur µModule double 9A avec gestion du système l’alimentation numérique
Par
Linear Technology
Avertissement : en cliquant sur ce bouton, vous acceptez que vos données soient communiquées à cette société. Si vous ne souhaitez pas que nous communiquions vos données, veuillez mettre à jour vos coordonnées dans votre profil.
Si vous avez apprécié cet article, vous aimerez les suivants : ne les manquez pas en vous abonnant à :
ECI sur Google News
White Papers